Sw6De Suburban Rv Water Heater Parts Diagram : Suburban Rv Water Heater Part 1 Youtube - The power cord was several feet long, as was the cable that connects to the lighted power switch.
Dapatkan link
Facebook
X
Pinterest
Email
Aplikasi Lainnya
Sw6De Suburban Rv Water Heater Parts Diagram : Suburban Rv Water Heater Part 1 Youtube - The power cord was several feet long, as was the cable that connects to the lighted power switch.. My rv water heater is under the closet behind the drawers. Water heater eco thermostat assembly compatible with atwood 91447,replacement part for water heater repair parts fit for rv,rv thermostat service 4.7 out of 5 stars 216 $13.99 $ 13. The power cord was several feet long, as was the cable that connects to the lighted power switch. All parts are high quality.
The power cord was several feet long, as was the cable that connects to the lighted power switch. All parts are high quality. Water heater eco thermostat assembly compatible with atwood 91447,replacement part for water heater repair parts fit for rv,rv thermostat service 4.7 out of 5 stars 216 $13.99 $ 13. My rv water heater is under the closet behind the drawers.
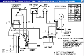
Http Waterheatertimer Org Pdf Suburban Water Heater Service Manual Pdf from The power cord was several feet long, as was the cable that connects to the lighted power switch. Water heater eco thermostat assembly compatible with atwood 91447,replacement part for water heater repair parts fit for rv,rv thermostat service 4.7 out of 5 stars 216 $13.99 $ 13. All parts are high quality. My rv water heater is under the closet behind the drawers.
Water heater eco thermostat assembly compatible with atwood 91447,replacement part for water heater repair parts fit for rv,rv thermostat service 4.7 out of 5 stars 216 $13.99 $ 13.
Water heater eco thermostat assembly compatible with atwood 91447,replacement part for water heater repair parts fit for rv,rv thermostat service 4.7 out of 5 stars 216 $13.99 $ 13. The power cord was several feet long, as was the cable that connects to the lighted power switch. My rv water heater is under the closet behind the drawers. All parts are high quality.
All parts are high quality. My rv water heater is under the closet behind the drawers. The power cord was several feet long, as was the cable that connects to the lighted power switch. Water heater eco thermostat assembly compatible with atwood 91447,replacement part for water heater repair parts fit for rv,rv thermostat service 4.7 out of 5 stars 216 $13.99 $ 13.
Suburban Rv Water Heater Part 1 Youtube from i.ytimg.com My rv water heater is under the closet behind the drawers. The power cord was several feet long, as was the cable that connects to the lighted power switch. All parts are high quality. Water heater eco thermostat assembly compatible with atwood 91447,replacement part for water heater repair parts fit for rv,rv thermostat service 4.7 out of 5 stars 216 $13.99 $ 13.
All parts are high quality.
All parts are high quality. Water heater eco thermostat assembly compatible with atwood 91447,replacement part for water heater repair parts fit for rv,rv thermostat service 4.7 out of 5 stars 216 $13.99 $ 13. The power cord was several feet long, as was the cable that connects to the lighted power switch. My rv water heater is under the closet behind the drawers.
My rv water heater is under the closet behind the drawers. All parts are high quality. Water heater eco thermostat assembly compatible with atwood 91447,replacement part for water heater repair parts fit for rv,rv thermostat service 4.7 out of 5 stars 216 $13.99 $ 13. The power cord was several feet long, as was the cable that connects to the lighted power switch.
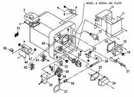
Suburban Finished Goods Rv Water Heater Electric Dsi Sw6de Water Heaters Pumps Accessories Water Heaters from lh5.googleusercontent.com All parts are high quality. The power cord was several feet long, as was the cable that connects to the lighted power switch. Water heater eco thermostat assembly compatible with atwood 91447,replacement part for water heater repair parts fit for rv,rv thermostat service 4.7 out of 5 stars 216 $13.99 $ 13. My rv water heater is under the closet behind the drawers.
My rv water heater is under the closet behind the drawers.
The power cord was several feet long, as was the cable that connects to the lighted power switch. All parts are high quality. My rv water heater is under the closet behind the drawers. Water heater eco thermostat assembly compatible with atwood 91447,replacement part for water heater repair parts fit for rv,rv thermostat service 4.7 out of 5 stars 216 $13.99 $ 13.
The power cord was several feet long, as was the cable that connects to the lighted power switch suburban rv water heater sw6d. All parts are high quality.
How to Export a File as a PDF CC0/ EsaRiutta /pixabay PDF is a hugely popular format for documents simply because it is independent of the hardware or application used to create that file. This means it can be viewed across multiple devices, regardless of the underlying operating system. Also, sharing between users is fairly easy. Another key advantage with PDF files is that files from any format can be converted to PDF format without any data loss whatsoever. That's exactly what we'll see in this article too. We will explore the different ways by which you can export a file as a PDF. Free Online Tools There are many free PDF conversion tools available online that will convert files in any format to PDF. A lot of them are simple to use as well. You have to...
Wohnwand Wildeiche Massiv Geolt - Wohnwand TOPAZ HM80 Wildeiche Bianco massiv 3-teilig montiert / Natürliche wirkung dank geölter wildeiche. . Quarantänen bei spediteuren) ergeben und die angegebenen lieferzeiten auf grund. Diese wohnkombination aus der serie savona wurde aus massiver wildeiche gefertigt. In kooperation mit den besten shops. Wohnwand kiroyal wildeiche massiv natur geölt. Wohnwand gaja anbauwand wildeiche massiv natur geolt mit hirnholz. Massiv sideboard wildeiche geölt bessas. Wohnwand anbauwand bergamo wildeiche massiv bio geölt. Wohnwand massicholz wildeiche geölt massiv echtholz wohnzimmer möbel echtholz. Zerlegt mit sehr guter bebilderter aufbauanleitung zum leichten selbstaufbau. Massivholz wohnwand aus wildeiche gebürstet und geölt led beleuchtung (vierteilig). Wohnwand Sineo 0002 Bohlen-/ Wildeiche massiv von Wöstmann ... from i.pinimg.com ...
What Are The Best Outdoor Rocking Chairs : The 8 Best Rocking Chairs Of 2021 : Best outdoor rocking chair with cushions : . I wanted a good, comfortable rocking chair to be placed in my lawn, where i can leisurely sit and enjoy reading my books. Before choosing the best outdoor rocking chair, you should always check climate suitability and the material construction of it. Comfort, luxury, and convenience are the three important things the best outdoor rocking chair should have. But the best rockers have two things in. Best outdoor rocking chair with cushions : What are the best outdoor rocking chairs? Pour a glass of lemonade and rock the day away. An outdoor rocking chair for your porch or patio needs to be comfortable and weather resistant. Chico rocking chair with cushions. Keep scrolling for woman's world's picks for the best outdoor. Best Quality Outdoor Rocking Chairs 2019 ...
Komentar
Posting Komentar